
Подробно описание на продукта
| Предимство: | Висока скорост | Скорост на етикетиране: | 60-200бр. / Мин |
|---|---|---|---|
| Функция: | Етикети със залепен стикер | Материал: | Неръждаема стомана |
| Тип бутилка: | Автоматичен буркан за етикетиране на кръгла бутилка | Приложение: | За всички видове кръгли контейнери |
| Plc Марка: | MITSUBISHI (Япония) | Серво етикетиращ двигател: | DELTA (Тайван) |
машина за етикетиране на червено вино машина за етикетиране на стъклени бутилки за вино, PLC контролна система Маркираща машина с марка MITSUBISHI
Характеристика:
1. Работа: PLC контролната система прави машината за етикетиране лесна за работа
2. Материал: Основният корпус на етикетиращата машина е изработен от неръждаема стомана SUS304
3. Конфигурация: Нашите машини за етикетиране приемат добре познати японски, немски, американски, корейски или тайвански марки
4. Гъвкавост: Клиентът може да избере да добави принтер и кодова машина; може да избере да се свърже с converyer или не.
Технически параметри:
| Име | Автоматична кръгла бутилка за вино за високоскоростна машина за етикетиране на кръгла бутилка |
| Скорост на етикетиране | 60-350бр. / Мин |
| Височина на обекта | 30-350 мм |
| Дебелина на обекта | 20-120 мм |
| Височина на етикета | 5-180 мм |
| Дължина на етикета | 25-300мм |
| Етикетна ролка с вътрешен диаметър | 76 мм |
| Етикетен валяк външен диаметър | 420 мм |
| Точност на етикетирането | ± 1 мм |
| Захранване | 220V 50 / 60HZ 3.5KW |
| Разход на газ на принтера | 5 кг / м2 (ако добавите кодираща машина) |
| Размер на етикетиращата машина | 2800 (L) × 1650 (W) × 1500 (H) mm |
| Тегло на етикетиращата машина | 180 кг |
Конфигурация
| Не. | Част | марка | количество |
| 1 | PLC | MITSUBISHI (Япония) | 1 |
| 2 | Основен преобразувател | DANFOSS (Дания) | 1 |
| 4 | HMI | WEINVIEW (Тайван) | 1 |
| 5 | Серво мотор за етикетиране | DELTA (Тайван) | 1 |
| 6 | Двигател на мотора за серво етикетиране | DELTA (Тайван) | 1 |
| 7 | Двигател на конвейер | HY (Тайван) | 1 |
| 8 | Редуктор на мотора на конвейера | HY (Тайван) | 1 |
| 9 | Разделителен мотор за бутилка | GPG (Тайван) | 1 |
| 10 | Разделителна бутилка на моторната скоростна кутия | GPG (Тайван) | 1 |
| 11 | Регулатор на скоростта на двигателя за разделяне на бутилки | GPG (Тайван) | 1 |
| 12 | Спик мотор | GPG (Тайван) | 1 |
| 13 | Скоба на мотора със спици | GPG (Тайван) | 1 |
| 14 | обект открива магическо око | OMRON (Япония) | 1 |
| 15 | оптични влакна | OMRON (Япония) | 1 |
Детайли на машината:

32 основни части за етикетиране на машини

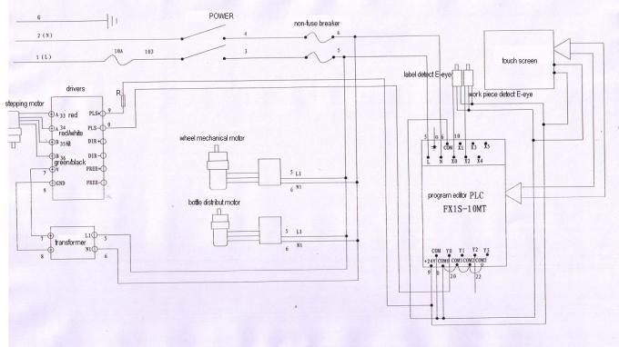
Електрическа схема

ЧЗВ:
1. етикет получава мехурчета
Причини:
Отлепването на борда не е добро / не е плоско;
Board плугът не е добър / не е плосък;
Output изходът за етикетиране е твърде бърз или скоростта на поточната линия е твърде ниска;
④ етикетът е изтеглен твърде разхлабен
Решения:
① сменете плосък пилинг извън борда;
② сменете плоска дъска за оран;
Забавете изходната скорост на етикетиране или увеличете скоростта на поточната линия;
Въздействайте правилно върху колана на етикета.
Етикет: индустриална машина за етикетиране, машина за етикетиране на стъклени бутилки









